About Us
企業總機
15300688829
圖文傳真
021-62882199
銷售熱線
021-62882177
技術咨詢
153 00688829
Products Show
- 產品概述
- 型號定義
- 適用范圍
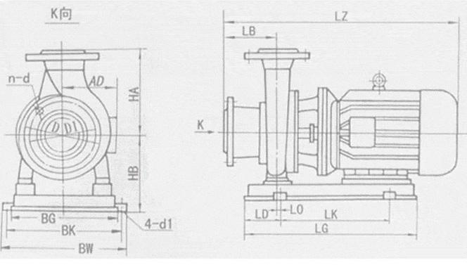
管道離心泵產品特點:
運行平穩:泵軸的絕對同心度及葉輪優異的動靜平衡,保證平穩運行,絕無振動。
滴水不漏:不同材質的硬質合金密封,保證了不同介質輸送均無泄漏。
噪音低:兩個低噪音軸承支撐下的水泵,運轉平穩,除電機微弱聲響,基本無噪音。
故障率低:結構簡單合理,關鍵部分采用國際一流品質;配套,整機無故障工作時間大大提高。
維修方便:更換密封、軸承,簡易方便。
占地更省:出口可向左、向右、向上三個方向,便于管道布置安裝,節省空間。
工作條件:
1、吸入壓力≤1.6MPa,或泵系統最高工作壓力 ≤1.6MPa,即泵吸入口壓力+泵揚程≤1.6MPa、泵靜壓試驗壓力為2.5MPa,訂貨時請注明系統工作壓力。泵系統工作壓力大于1.6MPa時應 在訂貨時另行提出,以便在制造時泵的過流部分和聯接部分采用鑄鋼材料。
2、環境溫度<40℃,相對濕度<95%。
3、所輸送介質中固體顆粒體積含量不超過單位體積的0.1%,粒度<0.2mm。
注:如使用介質為帶有細小顆粒,請在訂貨時注明,以便廠家采用耐磨式機械密封。
性能參數選型:











